-
商品資訊

4STV系列電磁閥主要特性:
-
功耗低、工作頻率高
-
雙頭二位置電磁閥具有記憶功能
-
先導方式:內部引導式
-
內孔採購特殊工藝加工,摩擦阻力小,啟動氣壓低,使用壽命長
-
接電方式:插接式、出線式、M8出線式、DIN插座式可供選擇
-
無需加油潤滑
-
滑柱式結構,密封性好,反應靈敏
-
可與底座集成閥組,節省安裝空間
-
三位置電磁閥中有三種中央功能可供選擇
-
附設手動機壙置,利於安裝調試
產品規格
型號 4STV110 4STV120 4STV210 4STV220 接管口徑 [注1] 進氣=出氣=排氣=M5 (或=PT1/8) 進氣=出氣=排氣=PT1/8(或=PT1/4) 有效截面積(Cv值) [注4] 06:10.2mm2(0.6) 08:17.0mm2(1) 重量 74g 102g 114g 144g 型號 4STV310 4STV320 接管口徑 [注1] 進氣=出氣=排氣=PT1/4 (或=PT3/8) 進氣=出氣=排氣=PT1/4 (或=PT3/8) 有效截面積(Cv值) [注4] 10:31mm2(1.8) 10:31mm2(1.8) 重量 171g 203g 工作介質 空氣(經40μm以上濾網過濾) 作動方式 先導式 使用壓力範圍 0.15~0.8Mpa(21~114psi) 保證耐壓力 1.2MPa(175psi) 工作溫度 -10~50℃ 本體材質 鋁合金 潤滑 [注2] 不需要 先導閥排氣方式 主閥和先導閥集中排氣 最高作動頻率 [注3] 5次/秒 [注1]接管牙型有PT、NPT、G牙可供選擇。
[注2]如有加油潤滑,中途不可停止,建議潤滑油為ISO VG32或同級用油。
[注3]最高作動頻率為空載狀態。
[注4]有效截面積和Cv值是依據測試流量數據計算得到。
產品訂購代碼
-202602240320286216_page-0001.jpg)
外部規格
-202602240320286216_page-0002.jpg)
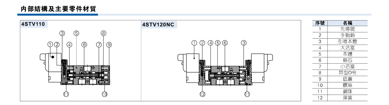
內部零件結構
-202602240320286216_page-0002-1.jpg)
4STV系列用底座
-202602240320286216_page-0003.jpg)
-
-
商品Q&A