-
商品資訊

新開發的SMRH系列潔淨減壓閥,主要應用於半導體、光伏製造等行業,大量應用於清洗、吹掃等系統。
SMRH系列潔淨減壓閥特性:
- 主要使用介質:潔淨空氣、純水等
- 閥體材質為日標SUS316L,符合JIS G 4303標準,高耐腐蝕性
- 非溢流結構,保證流通介質無污染
- 緊固件均採用不銹鋼材質
- 進口PTFE膜片,高靈敏度、高壽命
- 潔淨室組裝、包裝,流通介質接觸部不使用潤滑脂
規格
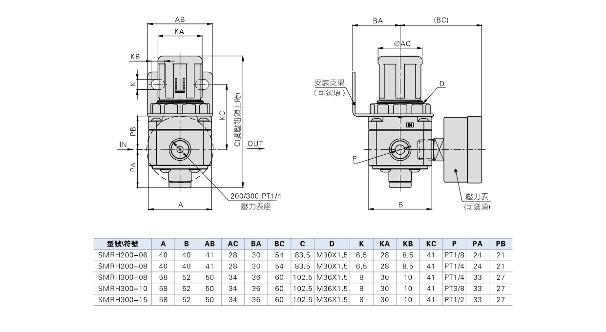
型號 SMRH200-06 SMRH200-08 SMRH300-08 SMRH300-10 SMRH300-15 工作介質 潔淨空氣 N2 純水 接管口徑 PT1/8 PT1/4 PT1/4 PT3/8 PT1/2 調壓範圍 0.05~0.7MPa 最大使用壓力 1.0MPa 保證耐壓壓力 1.5MPa 使用溫度範圍 0~60℃ (無凍結) 膜片材質 PTFE 成品訂購代碼

內部結構

外部規格

壓力及流量特性

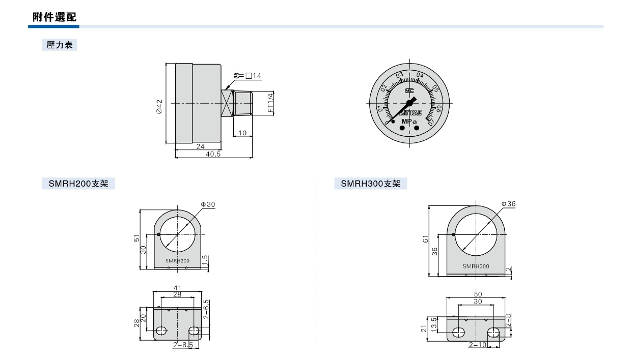
附件選配

-
商品Q&A
